日韩不卡免费视频LOGO

全国咨询热线

400-777-0802
客户案例

热门产品:

螺杆无油空压机 水润滑无油空压机 涡旋无油空压机 中压无油空压机

干式无油螺杆空压机

干式无油螺杆空压机

功率 45~315KW 排气量 3.78~50.09mm³/min 立即咨询 >
无油涡旋空压机

无油涡旋

功率 2.2~37kw 排气量 0.22~4.0m³/min 立即咨询 >

400-777-0802

139-1681-5202

立即咨询 >

无油空气压缩机在制药行业中的工艺流程

时间:2021-02-22 15:00

来源:日韩不卡免费视频

作者:日韩不卡免费视频

点击:

  食品行业、制药行业都需要无油空气压缩机来压缩空气,其生产过程中对环境的洁净度等级要求很高。
图1  非无菌原料药精制、干燥、包装工艺流程框图及环境区域划分
 

图2  无菌原料药精制、干燥、包装工艺流程框图及环境区域划分


图3  片剂生产工艺流程框图及环境区域划分


图4  硬胶囊剂生产工艺流程框图及环境区域划分


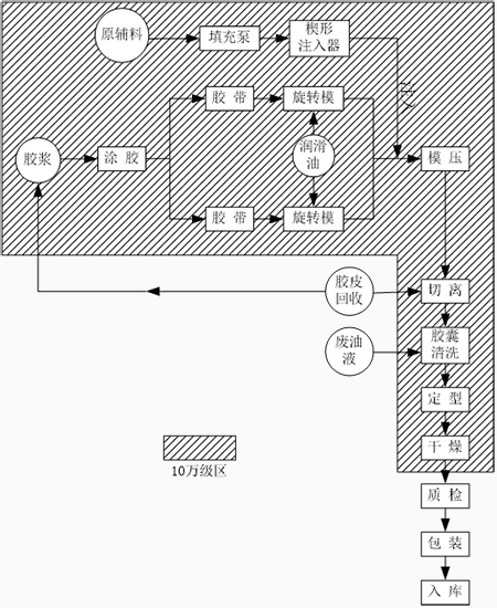
图5  压制法软胶囊剂生产工艺流程框图及环境区域划分


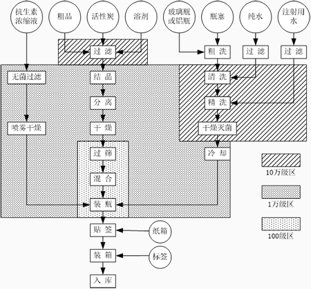
图6  可灭菌小容量注射剂生产工艺流程框图及环境区域划分

 
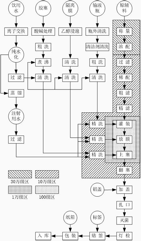
图7  可灭菌大容量注射剂生产工艺流程框图及环境区域划分


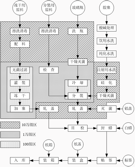
图8  注射用无菌分装产品生产工艺流程框图及环境区域划分


相关资讯